山东榕途液压气动成套设备有限公司

收藏本站
设为首页 | 收藏本站
联系方式

山东榕途液压气动成套设备有限公司

电话:4008039114

传真:0531-69717735

地址:山东省济南市张庄路72号

网址:http://www.rongtuhp.com/

Email:shandongrongtu@163.com


青岛分公司

电话:0532-85737199

传真:0532-85737199

联系人:李经理

手机:18653270591

Email:qingdaorongtu@163.com

website qrcode

扫描查看手机版网站

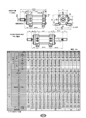
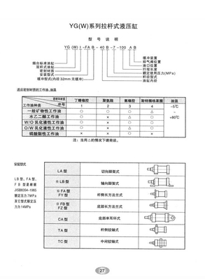
YG(W)系列拉杆式液压缸